Understanding Titanium Anode Failure in Modern Electrochemical Systems
In 2026, industrial electrolysis and water treatment systems operate at higher efficiencies than ever before. However, the Achilles' heel of these systems remains the unexpected failure of the anode. When a titanium anode fails, it isn't just a hardware issue; it’s a cascade of lost revenue, electrolyte contamination, and potential safety hazards.
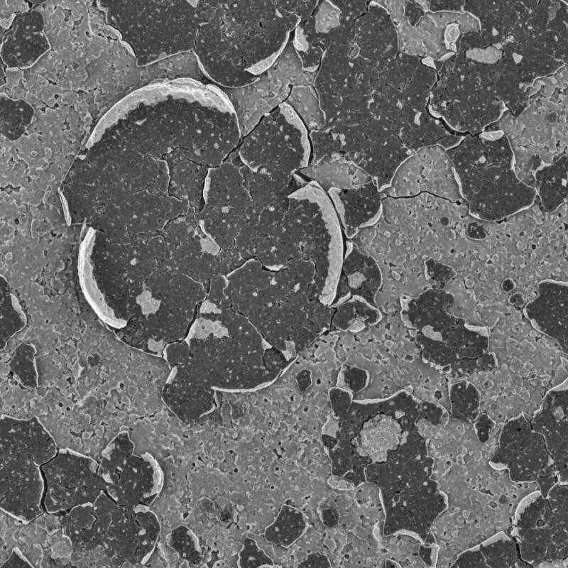
Failure isn't always a sudden "pop." It’s often a slow degradation of the Mixed Metal Oxide (MMO) or platinum coating. Understanding titanium anode failure modes is the difference between a 10-year service life and a catastrophic shutdown within six months. At China Titanium Factory, we analyze these failures to build more resilient substrates for global markets.
Core Mechanisms: MMO Coating Failure Causes and Deactivation
The catalytic layer of an MMO anode is a sophisticated blend of iridium, ruthenium, or tantalum oxides. Failure typically begins when the active sites on this layer become "poisoned" or physically stripped away. In 2026, we see a rise in MMO coating failure causes linked to organic additives in electrolytes that weren't common a decade ago.

Mechanical wear is another culprit. High-velocity electrolyte flow can physically erode the coating, especially if the thermal spray or decomposition process during manufacturing was uneven. When the coating thins, the current density on the remaining "islands" of oxide increases, accelerating a vicious cycle of localized overheating and further detachment.
Chemical dissolution also plays a role. While platinum-coated anodes are robust, they can dissolve in specific acidic environments if the current is frequently interrupted. This "off-period" corrosion is a silent killer in batch processing plants.
The Science of Titanium Anode Passivation
Passivation is the most misunderstood failure mode. It’s not that the anode is "gone," but rather that it has become electrically invisible. According to our analysis, the "Golden Rule of Anode Stability" is maintaining the interface integrity between the titanium base and the active oxide.
"Premature failure is often caused by an insulating $TiO_2$ layer forming between the coating and substrate. In cathodic protection, check for electronic shorting where anode potential shifts negatively beyond its corrosion potential."
When oxygen atoms penetrate the coating and reach the titanium surface, they form a non-conductive layer of titanium dioxide ($TiO_2$). This layer acts as a resistor. As the resistance grows, the cell voltage must increase to maintain the same current. Eventually, the power supply hits its ceiling, and the process stalls. This is what we define as the "Grey Zone"—a period where the anode is technically functional but economically disastrous due to power waste.
Anode Short Circuit Troubleshooting and Electrical Integrity
Short circuits are often blamed on "bad anodes," but the reality is usually found in the cell geometry or cable connections. In cathodic protection systems, a physical bridge between the anode and the protected structure (cathode) will bypass the electrolyte entirely.

Troubleshooting starts with a "Voltage Drop Test." If you notice localized heat at a cable junction, the failure is mechanical, not electrochemical. Cable breakage often occurs at the lug-to-anode interface due to vibration or crevice corrosion. In 2026, we recommend using fluoropolymer-coated cables to prevent the "wicking" of electrolytes into the copper core, which leads to internal cable failure.
The 'Anode Resilience Protocol': A Proprietary 2026 Diagnostic Framework
At China Titanium Factory, we utilize the Anode Resilience Protocol to move beyond reactive fixes. This three-step methodology ensures maximum ROI for heavy-duty electrochemical plants.
Thermal Signature Mapping: Using infrared thermography to detect "cold spots" on the anode surface, indicating areas of coating detachment or passivation before they affect the total cell voltage.
Chemical Equilibrium Stabilization: Monitoring the specific gravity and impurity levels (like fluoride or manganese) that specifically attack the $TiO_2$ interface.
Pulse-Reverse Recovery: A controlled electrical sequence used to "clean" the surface of minor scale buildup without stripping the MMO layer.
This framework is built on the principle that prevention is cheaper than replacement. By the time a failure is visible to the naked eye, the opportunity for recovery has usually passed.
Field Diagnostic Checklist: Identifying Symptoms of Imminent Failure
Technicians should use this checklist during monthly inspections to catch failure modes early. For more detailed specs, consult AMPP (formerly NACE) standards for electrochemical aging.
| Symptom | Probable Cause | Action Required |
|---|---|---|
| Abnormal cell voltage rise (>10%) | Passivation or scale buildup | Check electrolyte pH & conductivity |
| Coating discoloration (Grey/White) | Catalytic layer depletion | Schedule re-coating |
| Uneven current distribution | Partial short or connection wear | Inspect busbars & cable lugs |
Advanced Recovery Strategies for the 'Grey Zone'
If you catch an anode in the "Grey Zone," you might not need to scrap it. Anode cleaning protocols involving mild citric acid washes can remove carbonate scales that mimic the symptoms of passivation. However, never use hydrofluoric acid; it will eat the titanium substrate and destroy the bond with the coating.
Re-coating titanium anodes is a viable 2026 sustainability strategy. If the substrate is structurally sound, stripping the old MMO and applying a new layer is roughly 40% cheaper than buying new assemblies. We recommend a "Substrate Integrity Scan" before committing to re-coating to ensure no pitting has occurred.
Frequently Asked Questions About Anode Failure
What is the typical MMO coating life expectancy?
In standard chlor-alkali or water treatment environments, a high-quality MMO anode should last 5 to 10 years. However, high current densities (>1000 A/m²) or reverse polarity operation can reduce this to less than 12 months.
Can polarity reversal damage my anode?
Yes, absolutely. Most MMO anodes are not designed for polarity reversal. When the anode becomes the cathode, the titanium substrate can undergo hydrogen embrittlement, causing the coating to flake off instantly. For applications requiring reversal, specialized "reversable" coatings must be used.
How do I differentiate between mechanical damage and electrochemical deactivation?
Mechanical damage is usually localized—scratches, chips, or bent corners. Electrochemical deactivation is uniform across the surface. If the voltage rise is gradual over months, it's deactivation. If it happens overnight, look for mechanical shorts or cable failure.
Stop Anode Failures Before They Stop Your Production
In 2026, you can't afford to guess why your anodes are failing. Whether you need a failure analysis or a more durable MMO coating, our engineering team is ready to assist.
Get a Technical Consultation Today




























































